Demos: 5B-03 Voltage Paradox

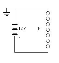
This demonstration is designed to clear up two student misconceptions. The resistance R is set of seven identical bulbs in series. The resistance of each bulb is approximately 2W at operating temperature.The students have no trouble understanding that a voltage drop of 1.2 V occurs across each bulb when lighted. However if the circuit is broken (for example, cutting the wire), most students have difficulty understanding that the potential difference across the open terminals is the full 12V.
Many students believe that the circuit shown at the right leads to disaster because they believe the battery to be shorted to ground. They cite as evidence the problem that occurs when the battery cables are reversed on an automobile.
Directions:
First, confirm the voltage drop across each bulb when the bulbs are lighted. Then cut the wire (or perhaps just unscrew one of the bulbs) and after discussion place the leads of the voltmeter across the open ends.
With the bulbs once again lighted (do this part first if you are cutting the wires, or use a jumper), connect a wire to the positive terminal of the battery and connect it to a ground.
Suggestions for Presentation:
With all seven bulbs lighted, ask what the voltage drop is across each bulb. Have them explain why. This focuses their attention on the fact that the 12V across the ends of the bulb portion of the circuit must uniformly drop across the bulbs. However, they may be forgetting that the voltage drop occurs only when there is a current, i.e. it is an IR drop. Then ask what will happen if the circuit is broken, say, in the middle, by cutting the wire. What will be the drop across the two ends of the wires now?
After discussing the concept of a ground in a circuit, ask what will happen if the positive side of the battery is grounded, since most batteries in cars are negative grounded. Ground the wire and after noting that nothing happens, discuss the differences between what was just done and the problems associated with grounding the wrong side of a car battery.
Applications: DC electrical circuits in general
Last Updated: Nov 30, 2023 11:25 AM